The new myTopcon experience is now available. Please click here to access and start using all your apps. The legacy version will still be accessible until April 15th 2026.

TS-i4 specifications

The TS-i4 is a 3-axis Inertial Measurement Unit (IMU) developed for high-vibration environments encountered with earthmoving equipment in construction applications.

Key features

  • Environmentally sealed to IP69K
  • 3-axis attitude determination
  • No moving parts
  • Compact design
  • LED status indicator
  • CANopen communication protocol

General

Application3-axis acceleration and angular rate measurements
Measurement Range360° per axis
Calibrated Measurement RangeAcceleration 0-6 G Angular 0-200°/s
Static Angular Accuracy<0.1° over 360° range and operating temperature range
Maximum Output Rate400 Hz
Typical Gyro Bias Stability2°/hr
Gyro Angular Random Walk0.4°/hr

Electrical

Supply Voltage9-33 V
Supply Current
0.045 A at 13V
Electromagnetic Compatibility
Applicable Standards:
Emissions: ISO 13766-1/ -2:2018
Immunity: ISO 13766-1/ -2:2018
Reverse Polarity ProtectionYes
Short Circuit ProtectionYes

Physical

HousingDie-Cast Aluminum Alloy
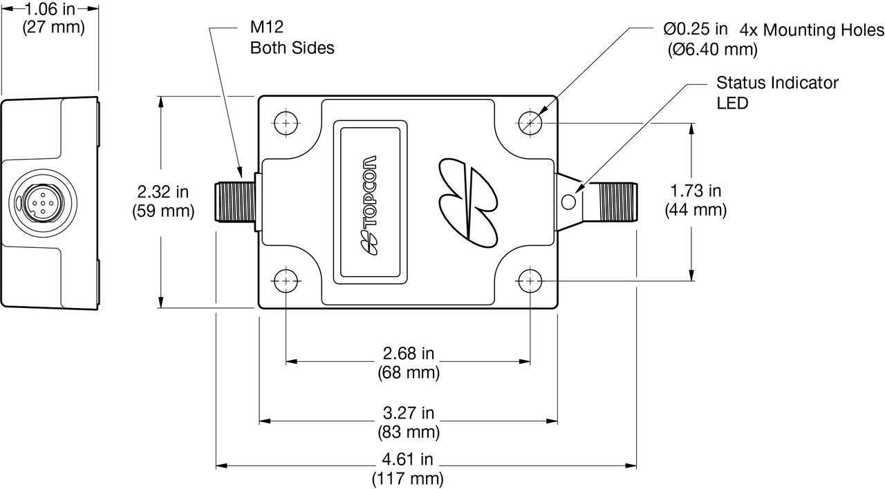
Housing Dimensions4.61 in x 1.73 in x 1.06 in (117 mm x 44 mm x 27 mm)
Potting MaterialPUR (Polyurethane)
ConnectorsM12, Male, 5-pin, A-coded - 2 ea.
Weight0.49 lb (220 g)

Environmental

Operating Temperature-40 °F to 185 °F (-40 °C to 85 °C)
Storage Temperature-40 °F to 185 °F (-40 °C to 85 °C)
Protection ClassIP68, IP69K
Shock Resistance50 G (3 x 6 half sine pulses at 11 ms duration)
Vibration Resistance 0.06 in (1.5 mm) (10 Hz - 70 Hz) and 6.6 Grms (70 Hz - 2000 Hz)

Certificates

MTTF350 years at 140 °F (40 °C)
CertificatesCE

Communications

ProfileCustom
Transmission RateMinimum: 20 kBaud; Maximum: 1 MBaud
Default Transmission Rate500 kbps

Connector Pinouts

Figure: 5-pin M12 connector
  1. CAN Shield
  2. +Vs Supply Voltage
  3. Ground
  4. CAN High
  5. CAN Low

Envelope Dimensions

LED Indicators

LED statuses
StatusesRedGreen
Connected OK (No Error) Off On
Communicating Off Blinking
Disconnected On Off
Error Blinking Off
No Power Off Off

myTopcon NOW! support

Take your Topcon experience to the next level with myTopcon NOW! This platform is a self-service tool for your desktop or mobile device. 

Product manuals
paper icon
Communications
phone icon
E-learning
hat icon
Quick start guides
support icon
Firmware & software updates
cloud icon
Troubleshooting
webinars icon